Wer kontaktlose Smartcards entwickelt oder deren Funktion nachvollziehen möchte, kommt irgendwann an den Punkt, wo eine Schaltungssimulation erforderlich wird. Sucht man nun nach einem passenden Modell für den Smartcard-Reder so findet man mit Google nicht viel. Einige Dissertationen, etwas bei Fraunhofer, aber alles nicht das, was man benötigt.
Einer der Standardleser, die im Zusammenhang mit dem neuen Personalausweis (nPA) vor allem von öffentlichen Institutionen wie Verkehrsverbünden, Versicherungen oder gar Computerbild und Chip ausgegeben wurden, ist der SCL011 von SCM. Hardwaremäßig ist der baugleich mit dem SCL010, in der Firmware gibt es Unterschiede. Haupkomponente neben dem Controller (der große Chip rechts) ist der Readerchip PN512 von NXP (der kleine Chip in der Mitte).
Nachdem ich keine verwertbaren Readermodelle fand, habe ich letzlich mit LTspice ein eigenes Modell erstellt. LTspice ist ein exzellenter Freeware Spice Simulator von Linear Technology, der kaum Wünsche offen lässt und der eigenen Kreativität keine Grenzen setzt. Als Grundlage für das Modell habe ich die recht ausführliche Applikationsnotiz AN142522 von NXP zu den
NFC- unf Readerbausteinen
der PN5xx-Reihe verwendet, die man nach intensivem Googeln im Netz findet.
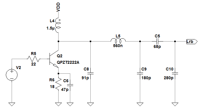
In der Applikationsnotiz wird der Aufbau einer Class-E-Ausgangsstufe in allen Details beschrieben, ansonsten gibt es hier eine Menge weiterführender Literatur. Die Applikationsnotiz war scheinbar so gut, dass SCM sich fast wörtlich daran gehalten hat. Selbst die Anzahl der Windungen (=2) wurde übernommen. Insofern muss man eigentlich nur die Applikationsnotiz in ein Modell umsetzen. Da der SCM-Reader direkt über USB versorgt wird, müssen zur Erzeugung einer Antennenspannung von 24-30Vpp einige Tricks angewandt werden. Unten ist eine Hälfte der Ausgangsstufe gezeigt.
L4 und C8 bilden einen auf 13.56MHz abgestimmten Schwingkreis, der über den als Schalter arbeitenden Transistor Q2 angestoßen wird. Q2 selbst wird über einen Digitalausgang des Readerbausteins angesteuert. Die Schaltung erinnert stark an einen DC-DC-Aufwärtswandler. Am Kollektor von Q2 entsteht im Takt der Ansteuerspannung eine oberwellenreiche gedämpfte Schwingung. L5 und C9 wirken als Tiefpassfilter, welches die Oberwellen unterdrückt und nur die Grundwelle, eben 13.56MHz + Seitenbänder, passieren lässt. Es folgt dann eine Impedanzanpassung über C5, C10 und die Induktivität der Antennenspule. Basisbahnwiderstände sorgen für eine Begrenzung der Basis- und damit auch der
Kollektorströme, im Emitterzweig befindet sich noch eine
DC-Gegenkopplung zur Arbeitspunktstabilisierung und ebenfalls zur
Strombegrenzung. Wer es genauer wissen möchte ziehe bitte die
Applikationsnotiz zu Rate. Die Antennenspule selbst wird im Gegentakt über zwei invertiert arbeitende Verstärkerkanäle angesteuert, so kommt man letztlich auf die 24-30Vpp. Im Vergleich zu anderen Readern liefert der SCL011 ein recht ordentliches Signal mit einer Feldstärke von bis zu 6 A/m. Dazu deckt sich der Querschitt der Sendespulenfläche optimal mit dem Querschnitt der Antennenspule einer aufgelegten Smartcard.
Hier nun das gesamte Reader-Modell für RF-Dauerstrichbetrieb ohne Modulation inklusive der Modellparameter für die Schalttransistoren QPZT2222A:
Hier hat man jetzt beide Kanäle mit den Ausgängen, die an die Readerspule führen. Jetzt wird noch ein Symbol erstellt, damit man das Ganze auch aufrufen und platzieren kann:
Und dann wird das Readermodul mit einem RF-ID-Inlay kombiniert, das hier der Einfachheit halber nur aus einem Gleichrichter mit Dummy-Last besteht:
Hier sieht man die ausgemessene Readerantenne mit Serienwiderstand, Induktivität und parasitärer Kapazität. Der Serienwiderstand wird so erweitert, dass sich eine erforderliche Kreisgüte von ca. 25-30 ergibt. Für erste Versuche reichen die Werte aus der zitierten NXP Applikationsnotiz. Die Inlay-Seite ist wie bereits gesagt einfach gehalten: ein Brückengleichrichter aus Schottkydioden richtet das 13.56MHz-Trägersignal gleich, es folgen ein kleiner Siebkondensator (aus SImulationsdauergründen) und eine ohmsche Last. Über einen Integrator und eine parametriesierbare Spannungsquelle (B1) kann die übertragene Leistung berechnet und ausgegeben werden. Jetzt kann man anfangen, die einzelnen Parameter der Übertragungsstrecke zu optimieren.
Will man eine Datenübertragung nach ISO14443A, so wie unten angegeben, simulieren, dann müssen die Pulsquellen im Readermodell durch gesteuerte Spannungsquellen moduliert werden. Das habe ich noch nicht implementiert. Das unten gezeigte Aus- und Einschwingverhalten ergibt sich nach Filterung über den Bandpass, der aus Readerkreis und Inlaykreis gebildet wird. Hier lasse ich mal etwas Raum für eigene Versuche.












0 Kommentare:
Kommentar veröffentlichen